BÀI HỌC 5-08: HÌNH DÁNG, KÝ HIỆU VÀ CÁCH THAY THẾ, PHÂN LOẠI VÀ KIỂM TRA “TỤ ĐIỆN”
1/ Hình dáng và ký hiệu của tụ điện:

– Trên tụ điện có 02 phần màu:
+ Phần nhiều màu là cực dương (+)
+ Phần ít màu là cực âm (–)
P/s: Trên mainboard hình vuông ◙ là cực dương (+). hình tròn ʘ là cực âm (-)
– Ký hiệu tụ điện: chữ C
2/ Đơn vị tính của tụ điện và thông số của tụ điện:
a) Đơn vị tính của tụ:
- F: fara (1F = 1000000uF)
- uF: micro fara (1uF = 1000nF)
- pF: pico fara ( 1pF = 10-3uF)
- nF: nano fara (1nF = 1000pF)
P/s: Đơn vị sử dùng nhiều nhất là uF và pF, đơn vị nhỏ nhất là nF
b) Thông số của tụ điện:
– Vol (V): là điện áp chịu đựng của tụ.
Ví dụ: trên tụ ghi 10V đó là khả năng chịu 10V của tụ, nếu cung cấp quá 10V => hư tụ
– Điện dung ( C ): là khả năng tích điện của tụ điện, đơn vị tính là của điện dung là uF.
Ví dụ: Adapter laptop, màn hình LCD.. khi rút điện ra đèn vẫn còn sáng vài phút rồi mới tắt => điện dung của tụ càng lớn thì con tụ đó tích điện càng lâu.
3/ Thay thế tụ điện:
a) Thay thế tụ mới: trường hợp tụ cũ bị hư, bị phù ở đầu hoặc ở chân tụ thì tụ mới thay thế phải đúng thông số với tụ cũ.
Ví dụ: Tụ cũ 6.3V/1800uF bị phụ -> thay tụ mới 6.3V/1800uF
b) Thay thế tụ tương đương: trường hợp thông số tụ cũ không có bán trên thị trường thì thay thế tụ tương đương phải theo 02 quy tắc sau:
– U tụ mới > U tụ cũ hoặc điện áp (U) nhỏ hơn không quá 200
– C tụ mới > C tụ cũ hoặc điện dung (C) nhỏ hơn không quá 200
Ví dụ: 6.3V/ 100uF -> 10V/ 860uF => Ok
10V/ 1800uF -> 16V/ 1000uF => LỖI (điện áp 16V ok, nhưng điện dung < 800uF)
4/ Phân loại tụ điện: Tụ điện có 02 loại: tụ hóa và tụ gốm
a) Tụ hóa:
– Có 02 phần màu và có phân biệt cực âm, dương
– Tụ hóa gồm 02 loại:
+ Tụ nhôm (tụ rắn): thường nằm ở nơi tỏa nhiều nhiệt như Socket, CPU…, cách nhận biết tụ rắn bị hư khi quan sát thấy tụ rắn nghiêng 450 => tụ đó hư.
+ Tụ nilông: tụ nilông hư thường nhận biết là phù đầu tụ hoặc phù ở chân tụ
P/s: Thường tụ rắn không có bán trên thị trường nên ta lấy từ mainboard khác để thay, hoặc có thể dùng tụ nilông để thay thế.
b) Tụ gồm:
– Trên thân tụ thường có một màu nâu hoặc cam.
– Không biệt cực âm hoặc cực dương
– Đơn vị tính của tụ gốm là pF, nên khi tụ gốm hư có quyền tháo bỏ vì đơn tính nhỏ không gây ảnh hưởng nhiều đến điện áp.
– Để kiểm tra tụ gốm ta để thang đo từ X1 -> X10, nếu đo hai chân tụ = 0Ω => tụ gốm đó bị cháy nổ, bị hư ta tháo bỏ tụ.
– P/s: + Khi thay tụ gốm vì con tụ này kích thước nhỏ nên ta tháo để kế bên trên mainboard, không để bên ngoài mainboard vì sẽ rớt mất.
+ Tháo tụ gốm: dùng mỡ hàn bôi lên chân tụ -> dùng máy khò để thổi mỡ hàn vào chân con tụ -> dùng cây kẹp để gấp liền con tụ qua một bên khi khò đủ nóng để chảy mỡ hàn và chì ở chân tụ.
+ Một số trường hợp dùng phương pháp cách li để loại trừ tụ hư như tháo những linh kiện lân cận con tụ để kiểm tra, loại trừ. Mỗi linh kiện được tích hợp một chương trình nên khi thay phải đúng thông số.
5/ Cách đo kiểm tra con tụ còn tốt hay hư:
– Để thang đo từ X1 -> X10, đặt hai que đo vào chân tụ kể cả đảo chiều đo nếu:
+ Đồng hồ lên kim và trả về vị trí vô cực (∞) => Tụ tốt.
+ Đồng hồ lên hết kim = 0Ω => Tụ chạm, hư.
+ Đồng hồ lên kim và không trả về vị trí vô cực (∞) => Tụ khô, tụ hư.
6/ Chuẩn bị & cách thay con tụ mới
1.1/ Chuẩn bị:
a) Con tụ: Khi mua con tụ phải đọc đúng thông số điện áp (V), điện dung (C ) của con tụ để người bán cung cấp đúng linh kiện. Thay tụ phải thay đúng chiều ( + ) và ( – ), thường con tụ mới mua chân dài là cực ( + ), chân ngắn là cực ( – ).
b) Máy hàn (Ví dụ: máy hàn Quick 936C+)
– Đối với Mainboard PC, laptop để 400 -> 4500C (vì bo mạch này dày)
– Đối với sửa board bộ nguồn để 300 -> 3500C (hạn chế đứt sơ đồ mạch vì board mạch này mỏng)
– Sửa điện thoại để 200 – 3000
c) Máy khò (Ví dụ: Quick 858, Quick 850A, Atten 858D+…)
– Để 4000 C
d) Mỡ hàng (Kingbo), cuộn chì, cây hút chì
1.2/ Tháo tụ cũ và thay tụ mới:
a) Tháo tụ cũ: Bôi mỡ hàn vào chân tụ -> dùng máy khò để thổi mỡ hàng vào chân tụ –> dùng mũi hàn đặt cố định vào hai chân tụ -> đưa cuộn chì vào để làm chảy chì ở chân tụ -> dùng cây hút để hút chì ra khỏi chân tụ -> Tháo tụ.
b) Thay tụ mới: Bôi mỡ hàn vào nơi cần gắn chân tụ -> dùng máy hàn để làm chảy mỡ hàn và làm dính ít nhất 1 chân tụ -> đưa cuộn chị vào để hàn chân tụ -> cắt chân tụ ngắn bớt -> hàn lại lần nữa -> dùng săn thơm để lau sạch chỗ mới hàn tụ.
7/ Ứng dụng của tụ điện:
– Nhà sản xuất đưa ra quy ước chung cho các tụ điện, nên trên thị trường chỉ có thông số điện áp của tụ điện như sau: 3V, 10V, 16V, 25V, 35V, 50V
– Tụ điện giúp cân bằng điện áp…nhưng một số trường hợp các linh kiện có thông số tụ điện không phù hợp với quy ước điện áp của nhà sản xuất. Nên lúc này phải đấu nối tụ điện sao cho phù hợp với thực tế:
a) Tụ điện mắc nối tiếp: âm của tụ này nối với dương của tụ kia, và hai đầu âm ( – ), dương ( + ) nối với nguồn:

b) Tụ điện mắc song song: âm ( – ) của tụ này nối với âm ( – ) của tụ kia. Dương ( + ) của tụ này nối với dương ( + ) của tụ kia, và hai đầu âm ( – ), dương ( + ) nối với nguồn:

MỘT SỐ LƯU Ý:
– Trang web tra cứu linh kiện điện tử: http://alldatasheet.com
– 04 linh kiện điện tử có hình dáng giống nhau: Diode đôi, Transistor, Mosfet, IC
– Mỡ hàn: giúp chì mau nóng chảy và làm bóng đẹp điểm hàn.
– Mosfet trên mainboard: dùng để giảm điện áp so với điện áp đầu vào nhưng giúp tăng Ample, mosfets muốn hoạt động phải cấp thêm xung (tức là tần số), thường những con thạch anh trên mainboard sẽ tao ra tần số để mosfets hoạt động.
Ví dụ: Laptop mở nguồn lên dùng bình thường, sang ngày mai mở lên không chạy nhưng ngày mốt mở lên chạy bình thường => khắc phục là thay thạch anh trên mainboard.
– Một số laptop không ghi model phía dưới máy, để biết chính xác model ta tháo pin laptop ra quan sát dưới chỗ lắp pin có ghi “Type No: xxxx -> seach “Type No” này trên google sẽ ra chính xác model máy laptop.
– Mainboard để lâu khởi động không lên và cách sử lý:
+ Đem phơi một nắng
+ Dùng máy đóng chip sử dụng mâm nhiệt để hấp mainboard
+ Hấp y tế
– Một số Mainboard như MSI, GIGABYTE khi hết pin CMOS => không kích được nguồn.
– Máy khởi động lên lâu có thể:
+ HDD bị bad
+ Chưa vệ sinh máy …
– Vệ sinh laptop:
+ Keo tản nhiệt nên dùng keo lại kim sẽ giúp tản nhiệt tốt hơn.
+ Thổi bụi nên bóp 50% hoặc 1/3 so với ban đầu để hạn chế gãy quạt laptop.
+ Khi tháo laptop dòng cao cấp làm bằng hợp kim nhôm phải cẩn thận để hạn chế chập mạch -> chết chip.
+ Lắp lại vỏ laptop bóp không vào, cấn… không nên bóp, quan sát nên lắp bên phải hay bên trái vào trước cho phù hợp vời từng laptop.
BÀI HỌC 07-08: ĐIỆN TRỞ
I/ HÌNH DÁNG, QUY ƯỚC MÀU, TÍNH GIÁ TRỊ VÀ KÝ HIỆU CỦA ĐIỆN TRỞ
1/ Hình dáng và quy ước màu: điện trở có 02 chân, có hình chữ nhật, trên thân có các vòng màu.

P/s: Điện trở được cấu tạo bởi Carbon và pha trộn với một số hợp chất nhất định, điện trở có khoảng 4 –> 5 vòng màu đó là quy ước của nhà sản xuất. Điện trở cho sai số từ 5% -> 10%
2/ Tính giá trị điện trở:
a) Điện trở có 03 loại thông dụng: 3 vòng màu, 4 vòng màu, 5 vòng màu.
b) Điện trở cầu chì: hình trụ, tròn, vuông trên mainboard thường ở gần cổng USB Mouse, Keyboard… có ký hiệu chữ F (Fuse).

– Điện trở cầu chì dạng dán trên mainboard có điện trở R = 0Ω (là điện trở cầu chì tốt) thường ký hiệu có số 0, để tháo cấu chì này dùng máy khò + mỡ hàn + nhíp để gấp ra sau khi khò chảy chì.
– Khi thay thế cầu chì không nên chọn cầu chì có Ample quá lớn hơn ample cầu chì cũ vì như vậy sẽ mất khả năng bảo vệ.
Ví dụ: Trường hợp màn hình laptop tối có khả năng điện trở cầu chì bị đứt dẫn đến không cung cấp đủ điện áp cho màn hình.
Trên cầu chì có ghi Ample (A) và điện áp (V): F0.5A/ 250V => Cầu chì 0,5A/ 250V
Ví dụ: điện trở 4 vòng màu

R = 2(đỏ) 2(đỏ) x 101(nâu) = 22 x 10 = 220 Ohm
– Vòng màu thứ I là giá trị vòng màu
– Vòng màu thứ II là giá trị vòng màu
– Vòng màu thứ III nhân với 10mũ là giá trị vòng màu
– Vòng màu thứ 4 là sai số bỏ không tính
Ví dụ: điện trở 5 vòng màu:

R = 2(đỏ) 7(tím) x 4(vàng) x 102(đỏ) = 274 x 102 = 27400 Ohm = 27,4 Kilo Ohm
– Vòng màu thứ I là giá trị vòng màu
– Vòng màu thứ II là giá trị vòng màu
– Vòng màu thứ III là giá trị vòng màu
– Vòng màu thứ IV nhân với 10mũ là giá trị vòng màu
– Vòng màu thứ 5 là sai số bỏ không tính
3/ Ký hiệu điện trở (R) :
![]()
III/ ỨNG DỤNG CỦA ĐIỆN TRỞ:
– Điện trở dùng để cản trở dòng điện, giúp giảm điện áp
Ví dụ: Bóng led sử dụng trong:
+ Ổ cấm điện: led 3V
+ Các dây dèn led bắt ở các hàng cây trong quán café..: 12V
1/ Điện trở mắc nối tiếp

Ví dụ: mắc nối tiếp của điện trở trong ổ cấm điện:

=> Khi mắc nối tiếp thì R tăng dẫn đến giảm điện áp => đèn led sẽ sáng tối hơn.
2/ Điện trở mắc song song:

III/ ĐƠN VỊ TÍNH VÀ PHƯƠNG PHÁP ĐO GIÁ TRỊ ĐIỆN TRỞ:
1/ Đơn vị tính của điện trở:
- Ω (Ohm)
- MΩ (Mega ohm) | 1 MΩ = 103 KΩ
- KΩ (Kio Ohm) | 1 KΩ = 103 Ω
2/ Phương pháp đo điện trở:
a) Đo điện trở bằng đồng hồ kim: để thang đo từ X1 -> X10, khi thay đổi nấc thang đo phải chỉnh kim về vị trí 0Ω rồi đặt 2 que kim vào hai chân điện trở.
b) Đo điện trở bằng đồng hồ số: để thang đo —►ⱶ đến 200M (đồng hồ số mới hỗ trợ 200M).
P/s: điện trở hư thường có dấu hiệu:
– Cháy đen
– Bong vỏ
– Hở chân
– Quan sát sơ đồ mạch để biết điện trở đó bao nhiêu hoặc lấy bo mạch tương đương để so sánh hoặc dựa vào con điện trở kế bên để phán đoán.
– Chân con điện trở thường nhỏ & móc cong nên khi tháo dùng nhíp dẹp -> mỡ hàn -> máy hàn -> tháo điện trở -> hút chì.
– Gắn điện trở (R) mới: Thổi mỡ hàn vào chân điện trở -> dùng mỏ hàn làm chảy mỡ hàn -> đặt điên trở vào vị trí cần thay -> bẻ cong 1 chân điện trở -> dùng mũi hàn để hàn -> cắt chân điện trở.
BÀI HỌC 11-08 : BIỂN TRỞ | CUỘN DÂY | BIẾN THẾ
1/ BIẾN TRỞ: LÀ ĐIỆN TRỞ CÓ THỂ THAY ĐỔI GIÁ TRỊ
– Ký hiệu: VR
– Biến trở thường có 03 chân hoặc 06 chân (mức thấp nhấp là 0 và cao nhất là 1K). Biến trở 06 chân có thể cắt bỏ 03 chân để thay
– Đo kiểm tra biến trở: để thang đo Ω (X1 -> X10K) một que đồng hồ đặt vào chận giữa của biến trở. 1 que còn lại đặt vào một trong hai chân hai bên, chính núm biến trở nếu giá trị điện trở thay đổi => Biến trở tốt.
– Ứng dụ của biến trở: dùng trong Ampli, máy hàn, máy khò, máy cấp nguồn, loa… máy đo nguồn biến trở thường có 04 chân).
II/ CUỘN DÂY:
– Cuộn dây để lọc điện và biến đổi dòng điện, cuộn dây có một lớp vecni (vecni giãn nở theo nhiệt độ) cách điện phủ lên để hạn chế hiện tượng chập điện.
– Hình dáng và ký hiệu của cuộn dây:

– Chân của cuộn dây chỉ có chân chẵn, đo kiểm tra cuộn dây đo hai chận cuộn dây nếu = 0Ω => cuộn dây tốt.
– Trên bo mạch nguồn PC, Mainboard… linh kiện xung tao ra Ample cao hơn Ample linh kiện đang có => cuộn dây sẽ giúp khắc phục vấn đề này.
– Dấu hiệu nhận biết cuộn dây hư thường chân sẽ bị cháy đen hoặc đo hai cuộn dây không thông mạch.
P/s: Cuộn dây gắn với tụ điện giúp lọc điện cho tụ điện, có thể thay tụ điện có điện dung cao hơn tụ cũ để giúp lọc điện tốt hơn. (Nếu hàng cuộn dây cùng tụ điện thì 1 chân hàn chung với chân dây màu đỏ của adapter, 1 chân nữa nối với dây màu đỏ của Adapter).
– Laptop khởi động vừa lên rồi lại tắt hẳn đi => có thể bị VGA, HDD, DVD, bàn phím, mất nguồn…
III/ BIẾN THẾ: LÀ THIẾT BỊ ĐỂ TĂNG HOẶC GIẢM ĐIỆN ÁP XOAY CHIỀU (AC).

– Đo kiểm tra biến thế: nguyên tắc của biến thế là có điện áp hoặc mất điện áp chứ không giảm điện áp, nếu đo không có điện áp => biến thế đó hư. Để thang để (AC) một que đặt vào vị trí 0(V), que còn lại đặt vào các chân khác nếu có điện áp => biến thế tốt.
Ví dụ 1: đo biến thế với nguồn điện cấp vào và tạo ra. Cấm dây nguồn AC 220V -> biến thế nối với dây nguồn AC -> bật thang đo (AC) một que mass chạm 0V, một que còn lại đo các điện áp từ 3V -> 12VAC
Ví dụ 2: máy hàn, máy khò, Ampli, cấp nguồn, Adapter… mắc tiền sử dụng biến thế tốt khi bật nguồn máy hàn, máy khò không lên ta kiểm tra:
+ B1: Để thang đo (X1) kiểm tra thông mạch của công tắc nếu thông mạch-> công tắc hoạt động OK
+ B2: Kiểm tra cầu chì = 0Ω => cầu chi ok
+ B3: Kiểm tra biến thế (nếu biến thế loại tốt để thang đo AC = 1000V), kiểm tra điện áp vào, điện áp ra của biến thế.
+ B4: Nếu biến thế hư, đôi khi mua biến thế không có phải đem đến chuyên quấn biến thế để khắc phục.
P/s: biến thế của máy hàn thường 220V đến 1000V. Còn biến thế của máy khò hàn, ampli, máy cấp nguồn, Adapter… thưởng sử dụng 3 -> 12VAC.
– Ampli sử dụng biến thế để tăng giảm âm thanh.
– Khi xử lý điện từ AC sang DC thì tụ điện vẫn còn tích điện AC trong tụ dẫn đến dễ gây ra giật điện khi không cẩn thận. Để hạn chế giật điện ta phải xả điện bằng cách sử dụng một thiết bị sử dụng điện AC khác (Ví dụ: dùng bóng đèn điện… sử dụng điện AC để xả điện).
BÀI HỌC 14-08: HÌNH DÁNG, KÝ HIỆU, CÁCH ĐO VÀ KIỂM TRA DIODE
I/ HÌNH DÁNG VÀ KÝ HIỆU CỦA DIODE:

II/ CÁCH ĐO VÀ KIỂM TRA DIODE:
1/ Đo bằng đồng hồ kim: Để thang đo X1 đặt hai chân que đo vào chân diode và đổi chiều que đo nếu 1 lần lên kim và 1 lần không lên kim => Diode tốt.
2/ Đo bằng đồng hồ số: Để thang đo X1 -> —►ⱶ đo 1 lần có giá trị = 0Ω, và 1 lần hiển thị số 1 => Diode tốt.
Dấu hiệu nhận biết diode hư: đo hai lần, đảo chiều que đo lên kim hoặc = 0Ω => Diode hư.
III/ MẠCH CHỈNH LƯU AC -> DC:
Ví dụ: Mắc mạch chỉnh lưu 220V AC thành 300V DC chuẩn bị các linh kiện sau:
– 4 diode xung
– 2 tụ lọc 200V DC
– 1 cầu chì 5 -> 10A

P/s: Khi mắc mạch chỉnh lưu xong ta kiểm tra:
– Đo dòng điện xoay chiều (AC) cấp vào = 220V => OK
– Đo dòng điện AC (220V), DC(300V) ở hai con tụ => mắc chỉnh lưu Ok
– Rút nguồn điện AC (220V) ra khỏi mạch chỉnh lưu và đo dòng điện AC vẫn lên 220V => hai con tụ vẫn còn đang tích điện (thường con tụ sẽ tích từ 5V -> 100V tùy vào từng loại tụ) trường hợp này không biết sờ vào sẽ bị giật, có thể sử dụng thiết bị dùng điện AC để xả điện 02 con tụ (có thể xả điện từng con tụ hoặc xả cả hai).
– Điện áp xoay chiều không phân biệt chiều khi đấu nối, nhưng điện áp một chiều thì có phân biệt chiều.
Ví dụ: Adapter nào có ghi “Switching Power” nếu thấy cầu chì bị đứt thì phải kiểm tra 04 diode trước rồi mới thay cầu chì, vì nếu diode hư thay cầu chì vào sẽ bị nổ cầu chì.
CHIA SẺ THÊM:
– Cầu diot: giúp chỉnh l)ưu dòng điện 1 chiều thành xoay chiều
– Tụ: phóng điện và xả điện
– IC công suất: giữ công suất của dòng điện 1 chiều qua biến áp
– Diot: bật thang đo về vô cực khi đo:
+ 1 chiều lên, đổi chiều đo không lên => diot tốt
+ đo lên 423V hoặc cao hơn => Ok
+ đo lên 423V mà còn lại 23V hoặc dưới 10V => diot chết
+ đo cả 2 chiều không lên => diot chết
+ Đo cả 02 chiều lên => diot chết
Có 02 loại diot:
a) Diot thường: ký hiệu D ví dụ: D1, D2, D3…
b) Diot zonner: giúp giữ điện áp cố định khi dòng điện qua diot zonner
– Transitor: ký hiệu Q, transitor dùng để khuếch đại dòng điện
– Super I/ O: kích nguồn, quản lý thiết bị ngoại vi như chuột, bàn phím…
– Tụ bi dưới 20V trở lại => hư
BÀI HỌC 21-08 : HÌNH DẠNG VÀ CÁC KÝ HIỆU MOSFET
– Để kiểm tra Mosfet ta bật thang đo X1, X10, –►ⱶ đặt que đo vào 02 cực D và S rồi đảo chiều cực đo nếu:
+ 1 lần lên kim (vài trăm Ω) và 1 lần không lên => Mosfet tốt.
+ 2 lần lên kim hoặc = 0Ω => Mosfet hư
1/ Mosfet đơn 03 chân (dạng mosfet này thường gặp trên mainboard PC)

2/ Mosfet 06 chân đơn:

3/ Mosfet 08 chân đơn (thường sử dụng nhiều trên mainboard laptop)

4/ Mosfet 8 chân đôi:

Các bước nhận dạng Mosfet:

BÀI HỌC 06/09: CÁC DẠNG MẠCH NGUỒN TRÊN MAINBOARD PC

– G, MCH : là viết tắt của Graphics Memory Control…
– SK CPU: Socket CPU là nơi giao tiếp CPU
– Rom BIOS:
– Supper I/O: có hình dáng chữ nhật thường có mã ITE, Winbond…giúp quản lý các cổng I/O và quản lý kích nguồn của Mainboard.
– Slot Ram: quản lý nguồn của Ram
– 3.3V SyS 5.3V: là nguồn cấp sau. Tức là bộ nguồn có nguồn rồi mới có nguồn này (Sys = System).
– SB: nguồn cấp trước (SB = Standby) được cấp bởi dây màu tím (5V) thông qua mạch ổn áp cấp trước cho I/O, Chipset LAN, Chip Nam, khe cắm PCI.
P/s: Nhấn “Power On” trả về bộ nguồn thông qua dây Power good (dây màu xám) -> nguồn hoạt động và cấp nguồn cho các linh kiện (tín hiệu Reset từ Supper I/O) -> ICH (chip nam) hoạt động tạo tín hiệu Reset -> kích hoạt chip Bắc hoạt động -> Rom Bios đi kiểm tra Ram, CPU đủ điều kiện sẽ xuất hình.
Nguồn VTT Ram = ½ nguồn VRam (Ví dụ: 1.8V = 0.9V (VRam)
– Khi cấp nguồn vào đầu tiên phải có :
+ Nguồn 3.3V
+ Nguồn Ram
+ Nguồn Chip
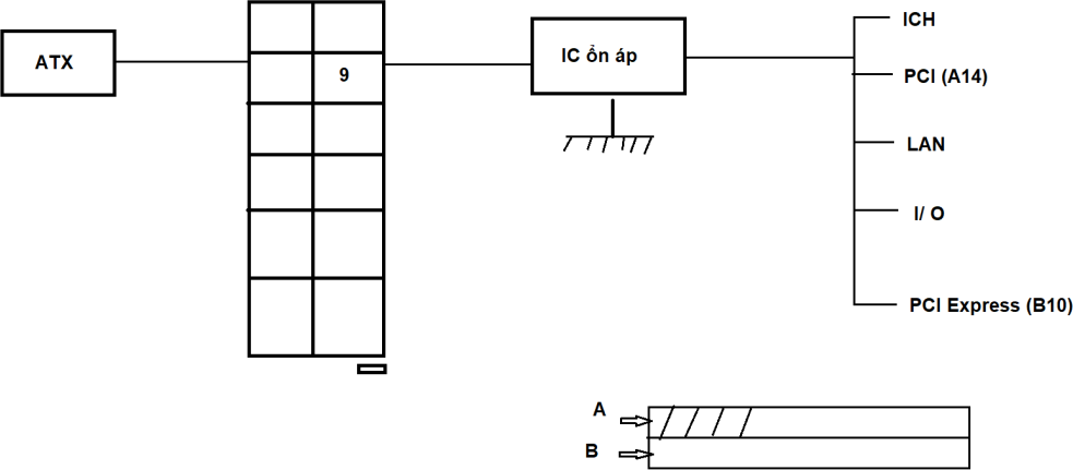
1/ Mạch nguồn ổn áp 3.3V SB:

– Đo thông mạch xác định IC ổn áp 3.3V SB
– Cấp nguồn đo điện áp tại các vị trí chân IC
– Cách đo (đồng hồ kim): Để thang đo X1 -> que đen đặt tại vị trí số 9, que đỏ chạm vào linh kiện dạng hình dáng của Mosfet nếu = 0Ω -> phán đoán đó là IC ổn áp. Để chắc chắn kiểm tra thêm bước nữa ta rút que đen đặt vào vị trí chân số 14 của khe cắm PCI nếu = 0Ω -> đó là IC ổn áp
– Cách đo kiểm tra nguồn 3.3V SB (chưa P.ON)
+ Kiểm tra dây màu tím có 5V SB ?
+ Khe cắm PCI (A14) 3.3V SB hoặc PCI Ex (B10)
+ Dao động thạch anh (0.1V -> 0.3V)
+ Dây kích nguồn (P.ON) 3V -> 5V
– Nguyên nhân lỗi:
+ Super I/O => khắc phục: khò hàn hai chân lại hoặc thay thế
+ Chip Nam => khắc phục: hấp chip, thay chip nam
+ Chip LAN => khắc phục: khò hàn hoặc thay thế.
2/ Mạch nguồn RAM:

3/ Mạch nguồn chipset:

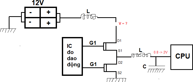
4/ Mạch nguồn V-Core (CPU):
Mạch nguồn V-Core (CPU) dạng 1:

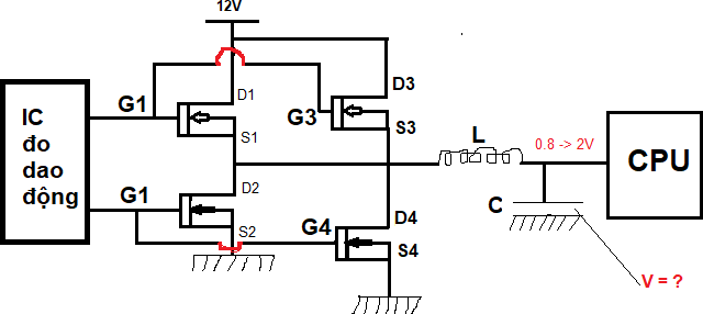
Mạch nguồn V-Core (CPU) dạng 2:

Mạch nguồn V-Core (CPU) dạng 3:

Có nhiều pha đi vào để giúp điện áp ổn định (mỗi pha gồm mosfet và cuộn dây, vào D ra S), Cuộn dây có từ 0.8 -> 12V để lọc điện áp vào CPU.
BÀI TẬP: Đo điện áp của
a) Mosfet vào ?
b) Mosfet ra ?
c) IC ?
B1: Tại jack nguồn phụ 4 pin đặt thang đo X1 que đen chạm mass,que đỏ đặt vào 1 trong 4 chân nguồn phụ:
+ Chân nào thông => âm (thường 2 chân)
+ Chân nào không thông => dương (thường 2 chân)
B2: que đen chạm vào mạch dương của nguồn 4 pin (1 trong 2 chân dương), que đỏ chạm vào chân của mosfet nếu:
+ Thang đa báo thông mạch => đó là chân G của mosfet -> đó là Mosfet vào
+ Thang đo báo thông mạch (khi chân D mosfet vào thông với chân G của mosfet ra => đó là Mosfet ra
B3: Dùng que đen chạm vào chân của 1 trong 2 mosfet vừa đo ở B2, que đỏ chạm vào chân IC nếu thông mạch => đó là IC của pha đó.
BÀI HỌC 10/10: ROM/ BIOS LÀ GÌ ?
1/ ROM/ BIOS là gì ?

2/ Các trường hợp nạp ROM BIOS:
– Quên password Cmos (khởi động máy hỏi password, vào CMOS máy hỏi password:
+ Laptop
+ PC từ đời core I trở đi (vì đời core i không gỡ pin được)
– Lỗi chương trình BIOS:
+ Không nhận thiết bị
+ Không POST
– Mainboar ra trước và CPU ra sau => nạp ROM ok trong trường hợp này.
3/ Nạp Rom chuẩn bị:
– Máy nạp Rom (Minipro TL866 CS) hoặc loại khác
– Cài driver và chương trình nạp ROM
– ROM:
+ Download (từ trang chủ, diễn dàn…) download version của ROM dựa và mã mainboard để download.
+ Có thể rút ROM BIOS từ mainboard tương đương khác.
4/ Cách nạp ROM (Xem các bước)
B1: Tháo ROM BIOS từ mainboard ra và phải xác định đúng chân.
B2: Tài phần mềm “Minipro TL866CS” (Minipro TL866CS là máy để nạp ROM)
B4: Cài đặt phần mềm Minipro TL866CS để máy nhận driver của thiết bị nạp ROM Minipro TL866CS.
B5: Xem trên mainboard Model Mainboard là gì và thuộc Version mấy => tải ROM BIOS của mainboard đó về (VD: Tải “ROM BIOS ECS G31T-M7” Version hiện tại là REV: 1.0) => gắn (đúng chân) ROM vừa tháo từ mainboard vào máy nạp ROM Minipro TL866CS.
B6: Mở phần mêm Minipro TL866CS lên => Click vào 25S => Detect để dò ROM, nếu không dò thấy thì dùng xăng thơm vệ sinh chân ROM và thiết bị nạp ROM rồi gắn lại đến -khi nào máy nạp ROM BIOS nhận được thiết bị ROM. => khi máy nạp ROM nhận được ROM => mở mục model: chọn đúng mã ROM của thiết bị => Select => Device => Read => Cancel => Save (để dự phòng nếu rút lại ROM).
B7: Nạp Firmware mới vào ROM => File => Open => trỏ đến Version Firmware ROM đã tải về => OK => Device => Program => Program => chờ quá trình nạp ROM diễn ra => nhận được thông báo “Program successful” => nạp ROM đã thành công.
CÓ THỂ NẠP ROM TRONG MỘT SỐ TRƯỜNG HỢP:
– Mainboard chạy vào windows bình thường => có thể nap ROM trực tiếp trên HĐH Windows
– Mainboard vẫn chạy OK nhưng bị lỗi Windows không vào windows được => vào CMOS của mainboard => phần Get ROM => Nạp Rom từ USB (USB phải ở định dạng FAT 32)
– Tháo ROM ra khỏi mainboard mang qua máy khác đang chạy HĐH bình thường => tải ROM về máy => dùng phần mềm nạp ROM kết hợp với máy nạp ROM để nạp ROM mới.
